乐鱼·体育!

服务直线:13825266669

热线电话:0755-27223199

乐鱼·体育
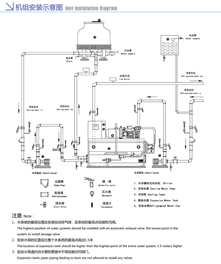
  • 螺杆式冷水机安装示意图-乐鱼·体育
乐鱼·体育

电话:13825266669
手机:0755-27223199
传真:0755-27223199
邮编:430070
地址:深圳市宝安区松岗镇碧头社区沙碧西路9号1栋101
   当前位置:乐鱼(中国)一站式服务官方网站 >服务与支持> 常见问题 >螺杆式冷水机安装示意图
螺杆式冷水机安装示意图

1-de16c8dc-486d-4810-a066-2c23f2f564c3.png

推荐新闻